LoạiTủ đứng
Công nghệ làm lạnhBlock
Kích thước320 x 400 x 990 (mm)
Điện áp220V/50Hz
Công suất làm nóng430W
Công suất làm lạnh90W
Nhiệt độ nước Nóng (Nhiệt độ nước thực tế sẽ phụ thuộc vào nhiệt độ môi trường và thể tích nước lấy ra)85 – 95 °C
Nhiệt độ nước lạnh8 – 10 °C
Dung tích bình nóng2L
Dung tích bình lạnh1L
Màng lọc Màng RO 50 GPD thay nhanh sản xuất tại Mỹ
Công suất lọc 10L/h
Bình áp 5L
Hệ thống lọc Hệ thống lọc 11 lõi Smax độc quyềncụm lõi lọc thô Smax Pro V, màng RO, thêm 1 lõi Hydrogen Plus và hệ thống lõi chức năng HP 6.0 Các lõi chức năng Bổ sung thêm 1 lõi Hydrogen Plus Hệ lõi chức năng Smax hiệu suất cao HP 6.0 Mineral (Khoáng đá)
Bioceramic
Far infrared
Tourmaline
T33-GAC
Nano Silver Plus Tỷ lệ thu hồi nước tinh khiết Lên đến 40% (Trong điều kiện phòng lab, sử dụng linh kiện/ thiết bị đo lường tiêu chuẩn)
Số lượng vòi 2 Cụm lọc thô 3 lõi lọc thô Smax Pro V 1, Smax Pro V 2, Smax Pro V 3
Khối lượng27kg
Màu sắcĐen
Chất liệu vỏThép (Lưu ý Một số linh kiện của máy có thể được thay đổi theo thực tế mà vẫn đảm bảo chất lượng của sản phẩm)
Chăm sóc sức khỏe trọn vẹn hơn, tận hưởng nguồn nước lạnh sâu ngay tức thì không cần chờ đợi là những gì mà máy lọc nước nóng lạnh Karofi KAD-M68 sẽ đem lại cho bạn và cả gia đình.
- Công nghệ làm lạnh Block và bình lạnh Smax: lạnh nhanh, lạnh sâu
- 11 lõi lọc công nghệ Smax: gấp 2 hiệu suất, gấp 2 tuổi thọ
- Màng RO 50 GPD thay nhanh sản xuất tại Mỹ
- Hệ lõi Smax Pro V: gấp 3 diện tích tiếp xúc, gấp 2 hiệu quả lọc
- Cụm chức năng HP 6.0 bổ sung vi khoáng thêm lõi Hydrogen Plus
- Nước sau lọc đạt Chuẩn nước uống tinh khiết đóng chai QCVN 6-1:2010/BYT
- Bảo hành: 36 tháng

Máy Lọc Nước Nóng Lạnh Karofi Kad M68
3 CHẾ ĐỘ NƯỚC SẴN SÀNG ĐÁP ỨNG MỌI NHU CẦU
KAD-M68 đáp ứng mọi nhu cầu về nước chỉ trong tích tắc. Nước lạnh sâu siêu tốc (đến 6 độ) phục vụ giải khát, nước nóng nhanh (đến 95 độ) phục vụ nhu cầu pha trà, cà phê, mì tôm, pha sữa…, nước tinh khiết nấu ăn chuẩn an tâm. Dung tích bình nóng lên đến 2L, thoải mái sử dụng.
Máy Lọc Nước Nóng Lạnh Karofi Kad M68
Máy Lọc Nước Nóng Lạnh Karofi KAD-M68 – 3 chế độ nước đáp ứng mọi nhu cầu
CÔNG NGHỆ LÀM LẠNH BLOCK KẾT HỢP VỚI BÌNH LẠNH SMAX
KAD-M68 được trang bị công nghệ làm lạnh Block, giúp làm lạnh nhanh, tạo nước lạnh sâu đúng ý, đập tan cơn khát, sảng khoái tức thì không cần chờ đợi.Đặc biệt, làm lạnh nhanh đúng ý nhưng KAD-M68 vẫn tiết kiệm đến 40% tổng điện năng làm lạnh với bình lạnh Smax, cho bạn và cả gia đình thoải mái tận hưởng, không lo hóa đơn điện cuối tháng tăng cao.
Máy Lọc Nước Nóng Lạnh Karofi Kad M68
VUA LÕI LỌC – 11 LÕI CÔNG NGHỆ SMAX
11 lõi lọc thế hệ mới công nghệ Smax giúp gấp 2 công suất, gấp 2 tuổi thọ, đồng thời tăng cường hydrogen chống lại quá trình oxy hóa, tăng cường sống khỏe mỗi ngày.
Máy Lọc Nước Nóng Lạnh Karofi Kad M68
Máy Lọc Nước Nóng Lạnh Karofi KAD-M68 – 11 lõi lọc thế hệ mới công nghệ Smax
LÕI LỌC THÔ CÔNG NGHỆ SMAX PRO V HOÀN TOÀN MỚI
Bộ 3 lõi lọc thô Smax Pro V với công nghệ smart connect chống hàng giả hàng nhái, cấu trúc lõi rẻ quạt thông minh tăng gấp 3 lần diện tích tiếp xúc với nước, nâng cao gấp 2 lần hiệu quả lọc và tuổi thọ lên đến 12 tháng – tiết kiệm đến 50% chi phí thay lõi trong suốt vòng đời sử dụng sản phẩm.
Máy Lọc Nước Nóng Lạnh Karofi Kad M68
Bộ 3 lõi lọc thô Smax Pro V với công nghệ smart connect chống hàng giả hàng nhái, cấu trúc lõi rẻ quạt thông minh
MÀNG RO SẢN XUẤT TẠI MỸ
Màng lọc RO 50 GDP thay nhanh sản xuất tại Mỹ với rất nhiều ưu điểm:
- Màng RO 50 GPD thay nhanh sản xuất tại Mỹ
- Công suất lọc lên đến 10 L/h, tỉ lệ thu hồi nước lên đến 40%
- Loại bỏ hơn 99,99% clo, dầu, virus, vi khuẩn, amip, asen, các ion kim loại và các chất độc hại trong nước
- Đúc nguyên khối, đảm bảo vô trùng, dễ dàng thay thế
- Xử lý được đa dạng các loại nguồn nước tại Việt Nam
- Thời gian thay thế 24-36 tháng
Máy Lọc Nước Nóng Lạnh Karofi Kad M68
TĂNG CƯỜNG KHOÁNG CHẤT – GẤP ĐÔI HYDROGEN
Hệ lõi chức năng đúc nguyên khối chống rò rỉ, hạn chế tái nhiễm khuẩn, tiết kiệm không gian, gấp 1.5 lần hiệu suất và bổ sung khoáng chất tốt cho sức khỏe. Tăng cường thêm lõi Hydrogen Plus giúp gấp đôi hydrogen trong nước, hỗ trợ chống oxy hóa, làm đẹp da.
- Bổ sung khoáng chất cần thiết cho cơ thể
- Tăng lưu lượng nước đầu ra gấp 1,5 lần
- Tối ưu hóa các cút nối giảm thiểu 83% vấn đề rò rỉ và tái nhiễm khuẩn cho nước
- Dễ dàng thay thế tại nhà, tái tạo nước tinh khiết với lượng khoáng chất cao nhất
Máy Lọc Nước Nóng Lạnh Karofi Kad M68
So với các lõi lọc rời thông thường, bộ lõi lọc smax HP 6.0 có hiệu suất cao hơn, được thiết kế tinh tế, hiện đại, đẹp, ấn tượng và tối ưu hơn:
- Kích thước nhỏ gọn TỐI ƯU HƠN 44%
- Giảm 83 % kết nối, dây nối các loại kẹp lõi
- Giảm thiểu rò rỉ và tái nhiễm khuẩn
Bộ lõi chức năng Smax hiệu suất cao, đẹp hơn, hiện đại hơn, tối ưu hơn so với hàng thông thường
NƯỚC SAU LỌC ĐẠT CHUẨN NƯỚC UỐNG TINH KHIẾT ĐÓNG CHAI QCVN 6-1:2010/BYT
Nguồn nước sau lọc từ máy lọc nước nóng lạnh Karofi KAD-M68 đạt chuẩn nước uống tinh khiết đóng chai QCVN 6-1:2010 BYT do Viện Sức khỏe nghề nghiệp & Môi trường – Bộ Y Tế công nhận. Link công bố: https://chungnhankarofi.nioeh.org.vn/.
Máy Lọc Nước Nóng Lạnh Karofi Kad M68
BẢO HÀNH 5 SAO – DỊCH VỤ HOÀN HẢO
Karofi cam kết sẽ mang lại trải nghiệm tuyệt vời nhất cho quý khách hàng với sự Tận tâm – Chuyên nghiệp – Chuẩn chuyên gia.
Máy Lọc Nước Nóng Lạnh Karofi Kad M68
Thiết kế hiện đại – Tủ kính tràn viền thời thượng
KAD-M68 có thiết kế hiện đại với tủ kính tràn viền thời thượng, phù hợp với nhiều không gian nội thất gia đình.
Máy Lọc Nước Nóng Lạnh Karofi Kad M68
Máy Lọc Nước Nóng Lạnh Karofi Kad M68
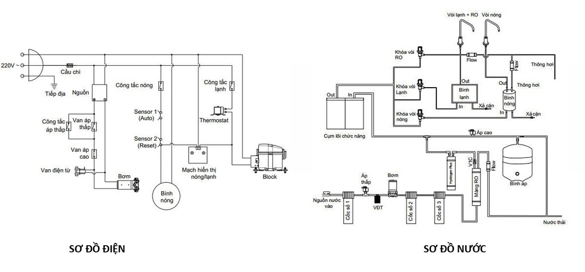
Sơ đồ điện nước – Sơ đồ lắp đặt Máy Lọc Nước Nóng Lạnh Karofi KAD-M68